Košík
Košík je úplně prázdný :-(
Invertorové filtrační čerpadlo vybavené frekvenčním měničem. Výkon čerpadla lze upravovat v rozmezí od 30 % do 100 %. Motor s permanentním magnetem a variabilním výkonem maximalizuje účinnost, prodlužuje životnost a zároveň minimalizuje provozní náklady a hlučnost čerpadla.
| Typ | Filtrační čerpadlo s frekvenčním měničem |
|---|---|
| Krytí motoru | IP 55 |
| Výkon | 0,53 kW |
| Otáčky | 880 - 3 220 ot./min |
| Průtok | 10,5 m3/h |
| Příkon | 0,66 kW |
| Napájení | 230 V |
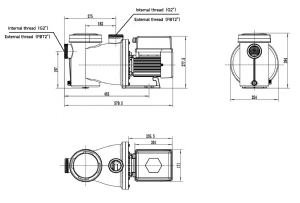
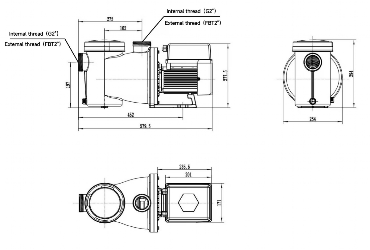
| Napojení - sání | lepení 63 mm / závit 2" |
| Napojení - výtlak | lepení 63 mm / závit 2" ext. |
| Max. pracovní tlak | 3 bar |
| Předfiltr | Ano |
| Hmotnost | 14 kg |
| Rozměry | 579,5 x 294 x 254 mm |
